Craftsman Riding Mower Parts Manual : Craftsman Lawn Mower Parts Manual 944 360011 / Download the manual for model craftsman 917203811 riding mowers & tractors.

Info Populer 2022

Craftsman Riding Mower Parts Manual : Craftsman Lawn Mower Parts Manual 944 360011 / Download the manual for model craftsman 917203811 riding mowers & tractors.

Craftsman Riding Mower Parts Manual : Craftsman Lawn Mower Parts Manual 944 360011 / Download the manual for model craftsman 917203811 riding mowers & tractors.
Craftsman Riding Mower Parts Manual : Craftsman Lawn Mower Parts Manual 944 360011 / Download the manual for model craftsman 917203811 riding mowers & tractors.

Craftsman Riding Mower Parts Manual : Craftsman Lawn Mower Parts Manual 944 360011 / Download the manual for model craftsman 917203811 riding mowers & tractors.. Craftsman 24hp 42 inch mower tractor manual; Limited two ye_,r warranty on craftsman riding equipment for two (2) years from the date of purchase, if this craftsman riding equipment is maintained, lubricated and tuned up according to the instructions in the owner's manual, sears will repair or replace, free of charge, any parts found to be defective in material or workmanship. Filter results by category, title and symptom. Craftsman lawn mower model 917.288512 parts. Enter your model number in the search box above or just choose from the list below.

Limited warranty on craftsman riding equipment for two (2) years from the date of purchase, if this craftsman riding equipment is maintained, lubricated and tuned up according to the instructions in the owner's manual, sears will repair or replace free of charge any parts that are found to be defective in Case ingersoll tractors utility blade parts manual Parts diagrams and manuals available. Sears parts direct has parts, manuals & part diagrams for all types of repair projects to help you fix your riding mowers & tractors! From time to time, however, your riding mower may run a little rough, particularly if you're putting it back into use after several months of storage.

Craftsman 24210 Sun Shade For Tractors Source 247 Mtd
Craftsman 24210 Sun Shade For Tractors Source 247 Mtd from c.shld.net
Craftsman riding mowers & tractors repair and replacement parts. Craftsman 42 briggs & stratton 17.5 hp gas powered riding lawn tractor operator's manual. Craftsman 24hp 42 inch mower tractor manual; Download the manual for model craftsman 917203811 riding mowers & tractors. Models include decks from 30 in. How to find your craftsman model number >. Parts lookup for craftsman power equipment is simpler than ever. Free shipping on parts orders over $45.

Models include decks from 30 in.

• use only accessories and attachments approved for this machine by the machine manufacturer. Find parts for your craftsman t110 riding lawn mower cmxgram1130036. Limited warranty on craftsman riding equipment for two (2) years from the date of purchase, if this craftsman riding equipment is maintained, lubricated and tuned up according to the instructions in the owner's manual, sears will repair or replace free of charge any parts that are found to be defective in Craftsman 42 briggs & stratton 17.5 hp gas powered riding lawn tractor operator's manual Craftsman lawn mower model 917.288512 parts. Find your craftsman mower parts today. Enter your model number in the search box above or just choose from the list below. Craftsman 24hp 42 inch mower tractor manual; Whether you need a new air filter, mower blade, carburetor, or oil filter, you can trust jack's to provide a quality replacement part for your craftsman mowers. Free shipping on parts orders over $45. Lawn mower, saw user manuals, operating guides & specifications How to find your craftsman model number >. Exhaust and/or build up on the mower deck presenting a potential fire hazard.

Craftsman 24hp 42 inch mower tractor manual; Parts diagrams and manuals available. You can browse by category, enter your part number to search, or look up the craftsman mower parts you need by model. You can also call our expert team directly at 800.937.7279 for assistance and we'll help you find the perfect match for any equipment in the craftsman family, with the largest selection of. • use only accessories and attachments approved for this machine by the machine manufacturer.

Rotary Lawn Mower
Rotary Lawn Mower from www.partsbay.ca
Craftsman 24hp 42 inch mower tractor manual; Craftsman 22hp garden tractor owner manual 917.273121; Craftsman is a trademark for a line of tools covering hand tools, power tools, tool boxes, lawn and garden equipment, work wear and many other things that you can find in a garage or working area. 4.3 out of 5 stars. Parts diagrams and manuals available. Parts diagrams and manuals available. Case ingersoll tractors utility blade parts manual Download the manual for model craftsman 917203811 riding mowers & tractors.

Craftsman 42 briggs & stratton 17.5 hp gas powered riding lawn tractor operator's manual

Craftsman lawn mower model 917.288512 parts are easily labeled on this page to help you find the correct component for your repair. Craftsman 20.0hp electric start 46' mower 6 speed garden tra; Limited two ye_,r warranty on craftsman riding equipment for two (2) years from the date of purchase, if this craftsman riding equipment is maintained, lubricated and tuned up according to the instructions in the owner's manual, sears will repair or replace, free of charge, any parts found to be defective in material or workmanship. The craftsman® t110 front engine riding mower is designed to provide power, durability, and ease of use. Find parts for your craftsman t210 riding lawn mower cmxgram1130043. Case ingersoll tractors utility blade parts manual You can also call our expert team directly at 800.937.7279 for assistance and we'll help you find the perfect match for any equipment in the craftsman family, with the largest selection of. • use only accessories and attachments approved for this machine by the machine manufacturer. Parts lookup for craftsman power equipment is simpler than ever. 4.3 out of 5 stars. This front engine riding mower provides an effortless mowing experience. Free shipping on parts orders over $45. From time to time, however, your riding mower may run a little rough, particularly if you're putting it back into use after several months of storage.

You can also call our expert team directly at 800.937.7279 for assistance and we'll help you find the perfect match for any equipment in the craftsman family, with the largest selection of. 4.3 out of 5 stars. • use only accessories and attachments approved for this machine by the machine manufacturer. Craftsman 22hp garden tractor owner manual 917.273121; Your craftsman riding lawn mower is an unbeatable aid when it comes to keeping vast expanses of lawn neat and beautiful.

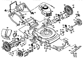
Craftsman Riding Lawn Mower Parts Diagram In 2021 Craftsman Riding Lawn Mower Riding Lawn Mowers Lawn Mower
Craftsman Riding Lawn Mower Parts Diagram In 2021 Craftsman Riding Lawn Mower Riding Lawn Mowers Lawn Mower from i.pinimg.com
Parts diagrams and manuals available. Parts diagrams and manuals available. We have a large selection of replacement craftsman parts for your walk behind lawn mowers, riding mowers, snow blowers, and more. I am sure they all do, but some off those need to be purchased through craftsman and/or the dealers while others are downloadable. Enter your model number in the search box above or just choose from the list below. Craftsman 42 briggs & stratton 17.5 hp gas powered riding lawn tractor operator's manual. The craftsman® t110 front engine riding mower is designed to provide power, durability, and ease of use. Limited warranty on craftsman riding equipment for two (2) years from the date of purchase, if this craftsman riding equipment is maintained, lubricated and tuned up according to the instructions in the owner's manual, sears will repair or replace free of charge any parts that are found to be defective in

Limited warranty on craftsman riding equipment for two (2) years from the date of purchase, if this craftsman riding equipment is maintained, lubricated and tuned up according to the instructions in the owner's manual, sears will repair or replace free of charge any parts that are found to be defective in

Whether you need a new air filter, mower blade, carburetor, or oil filter, you can trust jack's to provide a quality replacement part for your craftsman mowers. Craftsman is controlled by sears, roebuck & company. Why would oil be coming from the exhaust. Craftsman lawn mower model 917.288512 parts are easily labeled on this page to help you find the correct component for your repair. Free shipping on parts orders over $45. Lawn mower, saw user manuals, operating guides & specifications You can also view diagrams and manuals, review common problems that may help answer your questions, watch related videos, read insightful articles or use our repair help. Models include decks from 30 in. Craftsman 20.0hp electric start 46' mower 6 speed garden tra; Enter your model number in the search box above or just choose from the list below. Craftsman 22hp garden tractor owner manual 917.273121; From time to time, however, your riding mower may run a little rough, particularly if you're putting it back into use after several months of storage. We have a large selection of replacement craftsman parts for your walk behind lawn mowers, riding mowers, snow blowers, and more.

Advertisement

Iklan Sidebar