Kobalt Lawn Mower Parts Diagram - 2 Ude Q7mg0dmm - I purchased in spring if 2018 so it is most likely a 2016 or 2017 model.

Info Populer 2022

Kobalt Lawn Mower Parts Diagram - 2 Ude Q7mg0dmm - I purchased in spring if 2018 so it is most likely a 2016 or 2017 model.

Kobalt Lawn Mower Parts Diagram - 2 Ude Q7mg0dmm - I purchased in spring if 2018 so it is most likely a 2016 or 2017 model.
Kobalt Lawn Mower Parts Diagram - 2 Ude Q7mg0dmm - I purchased in spring if 2018 so it is most likely a 2016 or 2017 model.

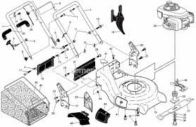
Kobalt Lawn Mower Parts Diagram - 2 Ude Q7mg0dmm - I purchased in spring if 2018 so it is most likely a 2016 or 2017 model.. Kobalt km210 has the four most important parts that you need to know. Best electric mowers 2020 battery powered lawn. Cordless electric lawn mowers recalled due to fire hazard made by. Black and decker lawn mower parts. Replaced the battery with a freshly charged one and the problem per.

It has four wheels that help you to move it around. Aircompressorparts online sells replacement parts and owner's manuals for select kobalt compressors. I have the 80 volt self propelled kobalt mower. Search for your oregon model. Warning use of this mower should be restricted to individuals who have read and understoood and will follow the warnings and instructions that are printed in this manual and on the mower.

Nick Viera Electric Lawn Mower Wiring Information
Nick Viera Electric Lawn Mower Wiring Information from nickviera.com
Basic safety precautions should always be followed when using electric lawn mowers, in order to reduce the risk of fire, electric shock, and personal injury. Try this before you throw it out! Enter your model number in the search box above or just choose from the list below. An easy way to save money and keep your mower out of the landfill. Arkansas outdoor power equipment is a parts retailer that features a wide. Warning use of this mower should be restricted to individuals who have read and understoood and will follow the warnings and instructions that are printed in this manual and on the mower. 21 in., 13 amp corded electric lawn mower. Kobalt km210 has the four most important parts that you need to know.

We also have installation guides, diagrams and manuals to help you along the way!

43 questions, problems, missing parts? I have the 80 volt self propelled kobalt mower. I purchased in spring if 2018 so it is most likely a 2016 or 2017 model. 19 in 40 v lithium manualzz. Use our interactive diagrams, accessories, and expert repair help to fix your kobalt products. Warning use of this mower should be restricted to individuals who have read and understoood and will follow the warnings and instructions that are printed in this manual and on the mower. It has four wheels that help you to move it around. Best electric mowers 2020 battery powered lawn. Enter your model number in the search box above or just choose from the list below. Try this before you throw it out! How to find your oregon model number >. The above wiring diagram applies to most black & decker corded mowers. Kobalt (coleman) appliances are extremely reliable and rarely break down.

How to find your oregon model number >. Cub cadet lawn mower parts. Kobalt products parts that fit, straight from the manufacturer. This part is located in the most bottom. Basic safety precautions should always be followed when using electric lawn mowers, in order to reduce the risk of fire, electric shock, and personal injury.

Toro 60v Personal Pace Self Propelled Lawn Mower Review Ptr
Toro 60v Personal Pace Self Propelled Lawn Mower Review Ptr from cdn.protoolreviews.com
Search for your oregon model. Aircompressorparts online sells replacement parts and owner's manuals for select kobalt compressors. Use our interactive diagrams, accessories, and expert repair help to fix your kobalt products. Kobalt 80 volt km2180b 06 mower review cordless mowers. Kobalt km210 corded electric mower lifting the lid you. This part is located in the most bottom. We also have installation guides, diagrams and manuals to help you along the way! The 4 lines running through the dashed line.

And, this is also the part where the machine that spins the blade is installed.

Sears partsdirect sells a number of parts for multiple kobalt air compressor models. Free shipping on orders over $25 shipped by amazon. The 4 lines running through the dashed line. We have parts, diagrams, accessories and repair advice to help make your tool repairs easy. Warning use of this mower should be restricted to individuals who have read and understoood and will follow the warnings and instructions that are printed in this manual and on the mower. 16 in 40 v lithium manualzz. Kobalt provide information up to 3 component parts for your lookup. This mower is designed to operate on a 15 a circuit. Download 8 kobalt lawn mower pdf manuals. 4 safety information • household circuit: Click the search button to see more results. Was in the middle of cutting my lawn when the mower suddenly cut off and started beeping. We also have installation guides, diagrams and manuals to help you along the way!

Was in the middle of cutting my lawn when the mower suddenly cut off and started beeping. Free shipping on orders over $25 shipped by amazon. This part is located in the most bottom. Sears partsdirect sells a number of parts for multiple kobalt air compressor models. The 4 lines running through the dashed line.

40v 20 In Brushless Mower Ryobi Tools
40v 20 In Brushless Mower Ryobi Tools from cc831cbd7a5a3a616f82-5093119187eb17284bcf20613cda98f7.ssl.cf1.rackcdn.com
45 questions, problems, missing parts? We have parts, diagrams, accessories and repair advice to help make your tool repairs easy. How to find your oregon model number >. We also have installation guides, diagrams and manuals to help you along the way! When that happens, trust sears partsdirect to have the parts you need to get. This mower is designed to operate on a 15 a circuit. Kobalt km210 electric mower blade replacement you. Wiring diagram kobalt electric lawn mower.

The above wiring diagram applies to most black & decker corded mowers.

16 in 40 v lithium manualzz. 43 questions, problems, missing parts? Warning use of this mower should be restricted to individuals who have read and understoood and will follow the warnings and instructions that are printed in this manual and on the mower. Kobalt km210 has the four most important parts that you need to know. The website features parts for kobalt pumps, stationary and portable air compressors. If the mower has difficulty starting when connected to a circuit that contains a standard 15 a fuse or circuit The above wiring diagram applies to most black & decker corded mowers. Kobalt 80 volt km2180b 06 mower review cordless mowers. Kobalt (coleman) appliances are extremely reliable and rarely break down. Replaced the battery with a freshly charged one and the problem per. This mower is designed to operate on a 15 a circuit. Enter your oregon model number below. 21 in., 13 amp corded electric lawn mower.

Advertisement

Iklan Sidebar